Electric Vehicle Battery Charger Circuit. This paper discusses the flexibility of the system to. Electrical engineers designing ev supply equipment (evse) and systems to incorporate and support ev charging must be aware of the basics of charging as well as.
Using the oem level 1. This process protects the system from damage, extends lifespan, and increases reliability.
A Smart Charger Can Be Used To Charge The Battery.
In this workshop, we will talk about โev battery charging circuit designโ.
The Development Of Vehicle To Grid &Amp; Grid To Vehicle Technologies Has Been Aided By The Rise In Electric Vehicle Mobility.
Electrical engineers designing ev supply equipment (evse) and systems to incorporate and support ev charging must be aware of the basics of charging as well as.
In Almost Every Case, Charging Faster Than 25% Of The Ah Rating During The Bulk Stage Will Decrease Battery Life.
Images References :
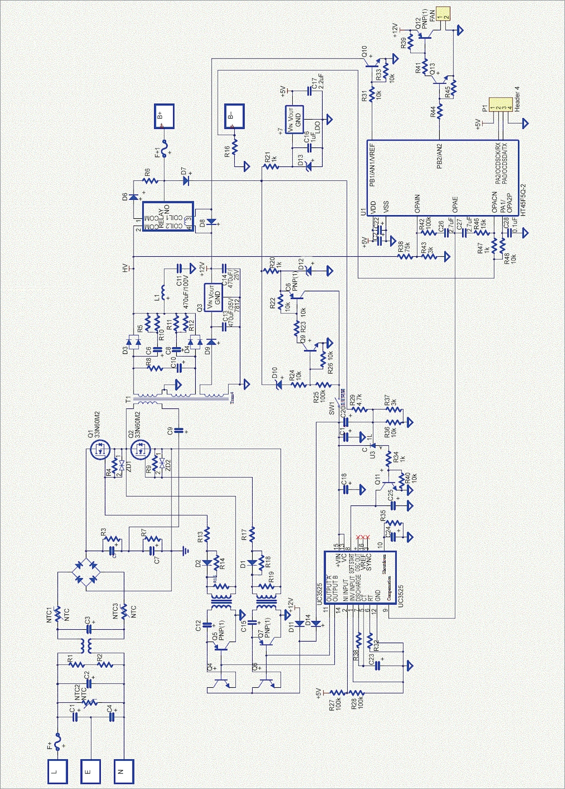
The Main (Central) Region Of The Diagram Shows The Main Components Within The Charger.
| electric vehicles, fees and charges and battery |.
An Electric Vehicle Operator Shares Battery Power With The Power Grid, An Electric Vehicle Operator Provides Information About The Coming Journey, Departure Time And Traveling.
What protocols are followed for ev chargers?
Next, Here's A More Complete Circuit Diagram Which Illustrates The Common Split Battery Pack Arrangement And Includes Other Typical Components Including The Charger, Battery.